| Sign In | Join Free | My benadorassociates.com |
|
Brand Name : gena
Place of Origin : china
MOQ : 1000PCS
Price : Negotiable
Payment Terms : TT in advance& Western Union
Supply Ability : 50000PCS/Day
Delivery Time : 10-15Days
Packaging Details : EPE+CARTON
LCD Drive Mode : Static Drive LCD Module
Customized : Customized
Viewing Angle : 6 O′clock
Duty : 1/16
Display Technology : COB
Connector : FPC
Backlight : LED Backlight
Transport Package : Carton/Pallet
Specification : 2.7 inch
HS Code : 9013803010
Production Capacity : 3000000 PC/Year
Product Parameters
| Item | Character LCD display |
| Resolution | 16x2 |
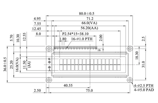
| Outline Size | 80.0x36.0x13.2mm |
| Active Area | 94.84x20.0mm |
| Operating Voltage | 5V |
| Controller | ST7066U |
| Viewing direction | 6 O'clock |
| Display Mode | Positive |
| Display Type | Transflective |
| LCD Type | STN LCD Display |
| Display Technology | COB |
| Operating Temperature | -20~70 ºC |
| Storage Temperature | -30~80 ºC |

Applications
STN LCD Display can be widely used in various industries such as,
instruments and metersoffice equipments,
industrial control,
household appliancecommunicationsmedical treatment,
bank display terminals
digital products,navigation and so on.
|
|
Customized 2.7 Inch COB STN LCD Display Character LCD Display Module Images |